Electronica montageplaat C-Kogel
Aluminium Montageplaat zware electronica RAM-111BU
Lees de volledige productomschrijving
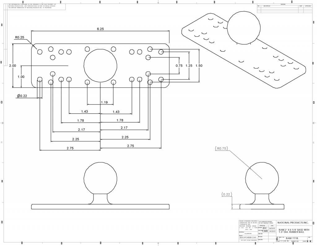
Rechthoekige montageplaat van 15.9 x 5.1 cm met meerdere montage gaten. C-kogel, van aluminium waarin gemakkelijk zelf gaten bij gemaakt kunnen worden.
The RAM-111BU consists of a 1.5" diameter rubber ball connected at right angles to a flat 6.25 x 2" (15,9 x 5,1 cm) rectangular plate. The plate contains different combinations of pre-drilled holes which will match up to many electronic devices and mounts, including Marine GPS, CB Radios, Ham Radios, Gimbal Brackets and more.
Material:
Powder Coated Marine Grade Aluminum
Ball Size:
1.5" Rubber Ball Size
Made of marine-grade aluminum.
If your device does not line up with any of the provided hole patterns, you can tap additional holes through any plate that is size-appropriate for your head unit.
Compatible Makes & Models
GARMIN FISHFINDER 320C
GARMIN GPSMAP 180
GARMIN GPSMAP 182
GARMIN GPSMAP 182C
GARMIN GPSMAP 185 SOUNDER
GARMIN GPSMAP 188 SOUNDER
GARMIN GPSMAP 188C SOUNDER
GARMIN GPSMAP 192C
GARMIN GPSMAP 198C SOUNDER
GARMIN GPSMAP 2206
GARMIN GPSMAP 230
GARMIN GPSMAP 232
GARMIN GPSMAP 235 SOUNDER
GARMIN GPSMAP 238 SOUNDER
GARMIN GPSMAP 3005C
GARMIN GPSMAP 3006C
GARMIN GPSMAP 3205
GARMIN GPSMAP 3206
LOWRANCE LCX-104C
LOWRANCE LCX-110C
LOWRANCE LCX-17M
LOWRANCE LCX-19C
LOWRANCE LCX-20C
LOWRANCE LCX-25C
LOWRANCE LCX-26C HD
LOWRANCE LMS-332C
HUMMINBIRD 947C 3D COMBO
HUMMINBIRD 931C
HUMMINBIRD 937C COMBO
HUMMINBIRD 981C SI
HUMMINBIRD 987C SI COMBO
HUMMINBIRD MATRIX 97









